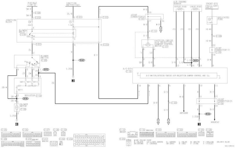
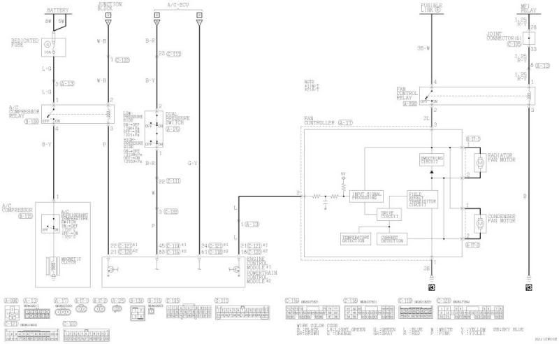
Wanting to swap a Diamante DCC into a 91 RT/TT with DCC. Curious if anybody still has the pictures and stuff for doing this.
Evan (Shooter83) did it and posted it on 3SI (and I think Florida3S) but I can't find any of the specific pictures or wiring diagrams for it at this point.
Dave57 also had a thread about doing the 99 DCC into a 91-97, but none of the pictures or instructions are up. His site has them but they're ultra small (I assume so that he can sell the instructions.) Sent him a message but haven't heard back.
At this point have the CC screen and the pig tail, the blower transistor and the ambient air temp sensor which to my knowledge should be all that I need aside from doing the actual wiring. I can get any of the other motors, solenoids, relays, wiring etc from the car if necessary, but without instructions I'm just left guessing.




Reply With Quote


Bookmarks